

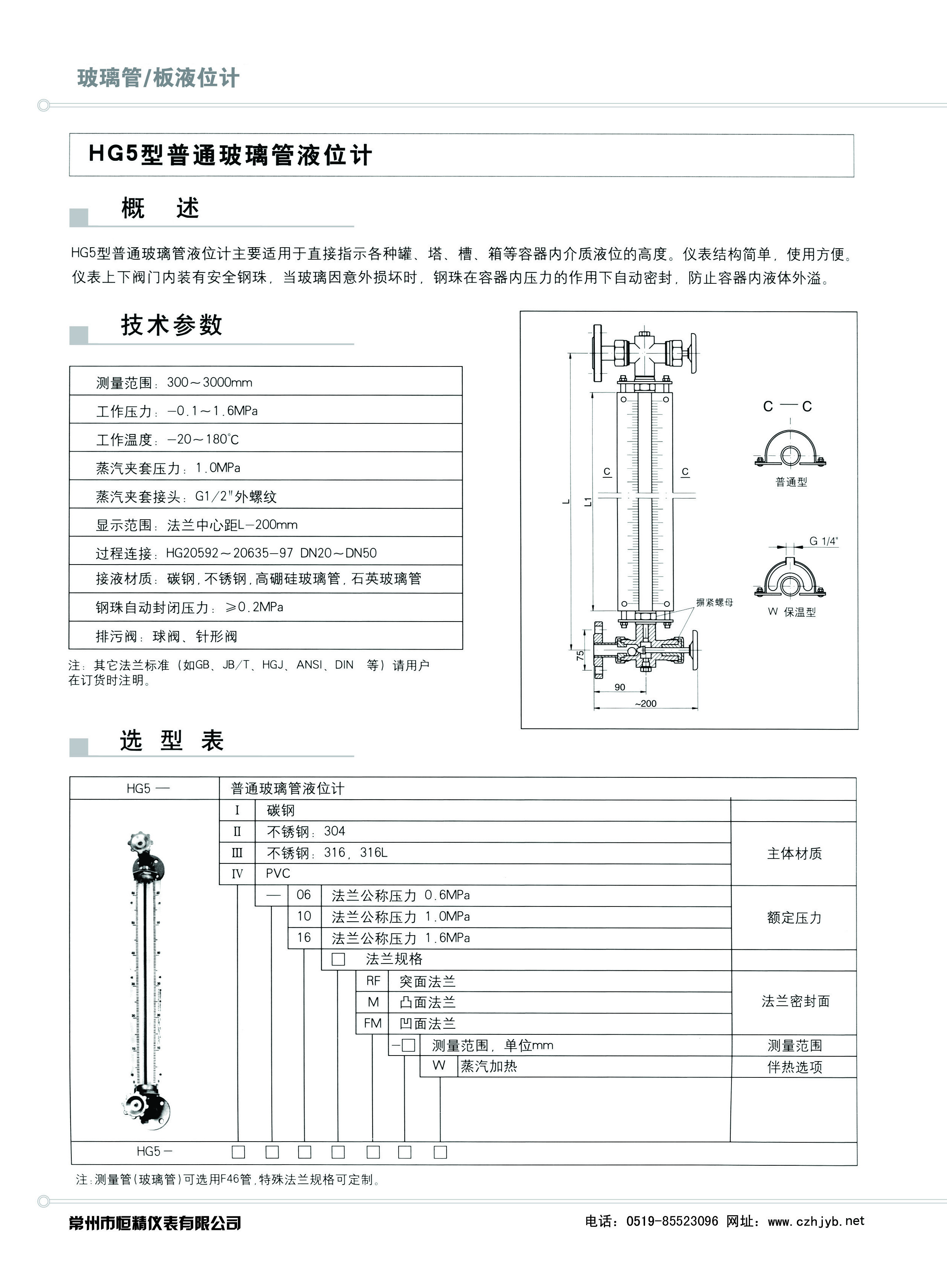
玻璃管液位計是由高強度、高溫耐熱玻璃和優質材料制成。并具有較強的抗震和抗沖擊能力,廣泛應用于石油、化工、天然氣等工業生產中高溫、高壓介質的顯示。它是按照原化工部ULG標準生產的地方液位測量儀器。主要用于直接顯示各種罐體、塔體、罐體、箱體等容器的中層高度。儀器上下閥門均配置pn1.6mpa、DN20法蘭。通過焊接在容器上的法蘭,與容器形成一種通訊裝置,通過玻璃管可以直接顯示容器中中層的高度。儀器兩端安裝針閥,針閥內安裝鋼球。當玻璃管因意外損壞時,鋼球在容器壓力下自動關閉針閥通道,防止介質在容器內流動。
















掃一掃